
DCC制御するポイントに連動させるつもりで、
HO用の信号機を物色する.

箱書きに「Kyodo」とある、2灯の信号機.
かなり古い製品で、
金属製でしっかり作ってあるが、説明書なし.
12〜14Vで点灯するらしい.
3Pのコネクタを付ける.

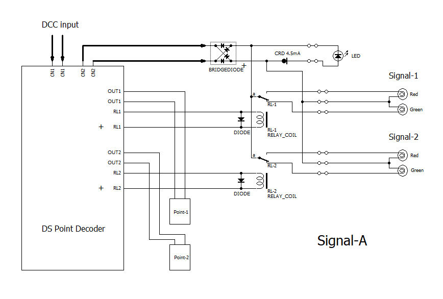
今回作った「リレーIF」の回路図.
DS Point Decoderのリレー出力で、
赤/緑のライトを切替える.
ライトの電気は、DCCを整流して供給する.
LEDは通電確認用.

左が「DS Point Decoder」
右が「リレーIF」
これで2台のポイントと2機の信号機を制御する.

ポイントとつないで動作テスト中

台座に接着.
柱の頭頂のパーツがなくなったので、
木片で作る.

これで完成.
Unitrackの6番ポイントに連動する.
運用上は、
本線に出られるかどうかの「出発信号」になる.