
HOサイズのライト付き信号機という市販品はあまりない.
ネット通販をさがしたら、こんなのがあった.
Baosity、3Vで点灯、12Vには付属の抵抗を使うらしい.
中国製のようで、3本960円と、かなり安い.

注文から2週間して海外から郵送されてきた.
ヘナヘナの袋にそのまま入っていて、3本とも壊れていた.
説明書もなし.

ライトはLEDのようで、1本は故障、2本は点灯する.
ライト部分とハシゴを利用することにした.
真鍮パイプを使って柱を太くする.

左は、Kyodo製の信号機.
これをまねて、それらしくする.

台座は3mmtのプラ板

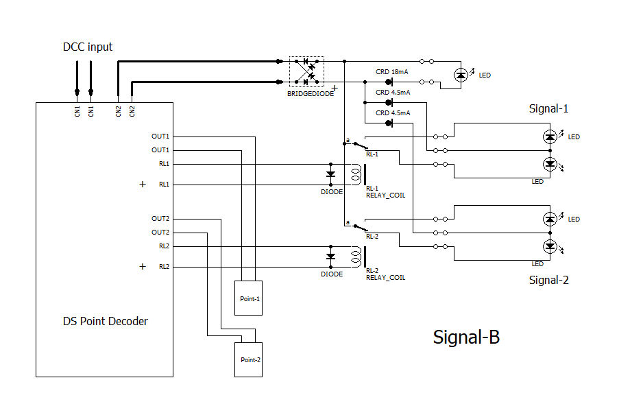
「DS Point Decoder」と信号機をむすぶ「リレーIF」回路.
前回の「ポイント連動信号機-A」をLED用にしたもの.

動作テスト中

「DS Point Decoder」のリレー出力「+-」には注意.
これを逆につなぐと、リレーコイルの逆起電力で、
デコーダー側の出力回路が壊れる.

モジュールに乗せるためのプラ板

モジュール基板裏に取り付けた、
「DS Point Decoder」と「リレーIF」

完成
最近の中国製品は品質が良くなったと思っていたが、
これは「安かろう悪かろう」の典型だった.
信号機のパーツとしては、なんとか使える.