
昔購入した、腕木式信号機.
Kyodoかエンドーの製品と思われる.
説明書なし.
腕木もライトも、12V程度のDCで動作する.
腕木は、2個の電磁石で上下させているらしい.
とりあえず、2Pと3pのコネクタを付ける.

腕木コイルの直流抵抗は 1.6Ω
動作時にはかなりの電流が流れるので、
連続通電すると、信号機の筐体が熱くなる.
KATOのUnitrack電動ポイント用切替スイッチを使うと、
片方向に1回だけは動作する.
このスイッチは、1回路で+-を切り替える構造なので、
このままでは使えない.
つまり、上下のコイルそれぞれに一瞬電気を流す仕組みが必要、
ということになる.

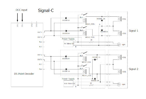
「DS Point Decoder」と信号機をむすぶ、今回の「リレーIF」回路.
ポイント用出力を、ダイオードを介して、
+-を2個の12Vリレーに分離する.
これで、リレーはポイント駆動と同様に、一瞬ON/OFFする.
ちなみに、
この「リレーIF」部分を、上記のKATOの切替スイッチにつなげば、
手動で信号機を動かせる.
減光して寿命を伸ばすため、ライトに抵抗を入れている.
signal-1とsignal-2で、コイルのコモン線の極性が異なっているが、
実際の配線上、たまたまこうなっただけ‥

「リレーIF」回路.
これで信号機1機の腕木とライトを駆動する.

腕木の駆動には、
古い電気製品の電源アダプターを流用している.
あれこれ試してみて、定格 9V 300mA程度でも動いた.
ただし、実測すると 13V程度の電圧が出ている.

動作テスト.
ポイントデコーダーの設定は、
「KATO HO ゲージポイント 2-503、2-504用
CV48=230、CV49=1」
信号機によって、多少動作にムラがあるようで、
ON/OFFが短か過ぎて、腕木の動作が追いつかない場合は、
ポイントデコーダーのCV49=1の値を大きくしてみる.
マニュアルにはないが、
CV49は、ON時間の長さ(0.1秒単位)を設定している.

当初、
デコーダー出力に、ポイントと信号用リレーを並列につないで、
同時駆動していたのだが、
ポイントは動くが、時々腕木が動かない、というケースが出てきた.
デコーダーOUTの電力が足りないのではないかと思う.
それで最終的に、
ポイント用と信号用に、別々のデコーダーを使うことにした.
デコーダー1 OUT1 addr=55 → ポイント1
デコーダー1 OUT2 addr=56 → ポイント2
デコーダー2 OUT1 addr=55 → 信号機1
デコーダー2 OUT2 addr=56 → 信号機2
いずれもCV設定値は同じ

完成
試行錯誤のあげく、なんとか実用になった.
この信号機、
形や動きは良いのだが、
HOサイズとしては大きめだ.